当前位置: 首页> 轴承型号查询> IKO CF10-1VB轴承

IKO CF10-1VB轴承参数/图纸/资料

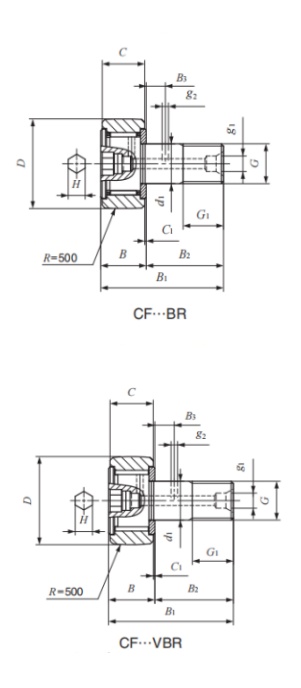
CF10-1VBIKO轴承现货供应,库存丰富。滚轮轴承CF10-1VB内径26mm,外径12mm,厚度10mm,属于原装进口IKO轴承凸轮从动轴承系列。欢迎来电咨询CF10-1VB轴承基本参数,技术规格、相关型号等信息。同时我们提供轴承润滑脂,密封件,安装保养工具等售前售后服务!

CF10-1VB轴承用途:卡车、太阳能、橡胶和塑料压延机、轿车轮毂轴承、曳引机、斗轮挖掘机/ 斗轮驱动、造纸机械、小型船用齿轮箱、两轮车和三轮车、立磨、风力发电、精炼机等领域。

CF10-1VB轴承基本参数/技术规格

品牌
IKO
型号
CF10-1VB
类型
滚轮轴承
系列
凸轮从动轴承
d
26mm
内径
D
12mm
外径
d
10mm
厚度
Cr
9.570KN
基本额定动载荷, 径向
Cor
14.500KN
基本额定静载荷,径向
Cur
-
疲劳极限载荷, 径向
nϑr
r/min
参考转速
nG
r/min
极限转速
≈m
0.061kg
重量
友情链接:
COPYRIGHT © 2021 INA-BEARING.CN
公司地址:无锡市无锡市崇安区兴源北路818号 公司电话:0510-82325353